產品詳情
深溝球軸承
advantage
4大核心優(yōu)勢
嚴格把控核心零件
普通級及精密級的八大類軸承標準軸承,英制軸承及非標軸承
提供產品定制
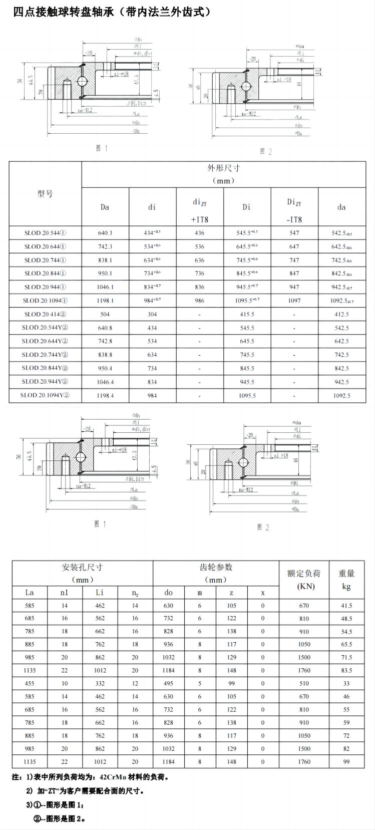
外徑尺寸從Φ200mm—Φ3600mm的各種中型、大型、特大型及重大型軸承和回轉支承轉盤軸承
嚴謹?shù)纳a工藝
加工設備精良,工藝可靠,擁有滿足產品質量要求的計量和檢測手段及生產保證能力
提供完善的服務
以質好價優(yōu)的產品贏得客戶、以不斷的技術創(chuàng)新,周到的服務滿足用戶的需求
售后團隊
為您一一解答疑問
產品保障
無憂物流
運輸我們幫您安排

電話
微信
留言